(+86) 021-52901470
角度头 (侧铣头)
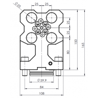
BT30
ER11
ER16
ER20
ER25
BT40
ADC6
ER32
ER40
FA25.4
FA31.75
BT50
HSK63
CAT40
CAT50
SK30
SK40
SK50
NT50
角度头配件
ADC 筒夹
Customized Flange Disc
Customized Setting Block / Stopper
Extension(for AHD)
Standard Setting Block / Stopper
VDI 刀座
DIN1809 ( DUPLOMATIC )
VDI30 动力刀座
VDI40 动力刀座
VDI50 动力刀座
VDI60 动力刀座
DIN5480 (SAUTER)
VDI20 动力刀座
DIN5482 (SAUTER)
HYUNDAI KIA
SPUR MT TOEM (BARUFFALDI)
VDI80 动力刀座
HAAS
固定刀座
VDI30 固定刀座
VDI40 固定刀座
VDI50 固定刀座
VDI60 固定刀座
变径套
BMT 刀座
DOOSAN
BMT45 动力刀座
BMT45 固定刀座
BMT55 动力刀座
BMT55 固定刀座
BMT65 动力刀座
BMT65 固定刀座
BMT75 动力刀座
BMT75 固定刀座
BMT85 动力刀座
BMT85 固定刀座
HWACHEON
SAMSUNG
Reducing Sleeve
日本 动力刀座
MAZAK
MORI SEIKI
BMT40 固定刀座
BMT60 动力刀座
BMT60 固定刀座
NAKAMURA
OKUMA
BMT55.4 固定刀座
数控平旋盘(U轴头)
车铣摇摆头(5轴头)
◎ Suitable for MORI SEIKI NL1500/2000/2500/3000