•  (+86) 021-52901470

/ EN /
prod2014042300099
prod201404230009902_200393606
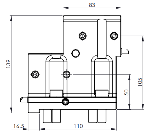
◎ Suitable for OKUMA LB2000-3000EX

THL-KB2-T2-6038.150 Okuma60-SLA38.1 2-Pos. 端面刀座 T2



下载 DWG STP PDF
  • 描述

◎ Suitable for OKUMA LB2000-3000EX